パーティションを探す
断熱パネル:低温・高温対応用断熱パネル
DNP低・高温耐久パネル
低温にも高温にも対応する耐久パネル
庫内温度-40℃〜+100℃まで使用可能な、低温高温耐久パネルです。
プレハブ式断熱パネル工法により既存のスペースに短工期で施工ができ、衛生的で自由度の高いパネルです。-40℃から100℃まで使用を可能とし、高機密・高断熱パネルが庫外への放熱をおさえます。

過酷な条件下の乾燥炉や高温槽でも「耐熱性」「耐久性」を実現します。
冷凍庫で使われる通常の断熱パネルに、100℃の高温(従来の断熱パネルは耐熱温度65℃以下)でも使用できるよう開発された商品です。庫内温度-40℃〜100℃まで対応。高機密・高断熱なパネルなので、庫内の温度をしっかり断熱。工業系工場の乾燥炉・恒温槽・環境試験室、食品工場の熟成庫などで使われております。
・パネル厚t( 使用温度範囲℃)
75t(-20℃~100℃)、100t(-30℃~100℃)、
125t(-40℃~100℃)、150t(-40℃~100℃)

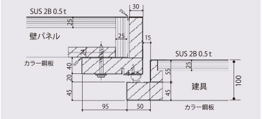
コーナーパネル部分詳細図

建具部分詳細図
芯材 |
硬質ウレタンフォーム+耐熱材 |
|---|---|
芯材 |
イソシアヌレートフォーム+耐熱材 |
表面仕上 |
カラー鋼板(IV/Wh)/ SUS304 2B/ガルバリウム鋼板 |

カラー鋼板(IV)

カラー鋼板(Wh)

SUS304 2B

ガルバリウム鋼板